中国政府网
|
黑龙江省人民政府
|
佳木斯人民政府
|
登录
|
注册
退出
无障碍
|
关怀版
网站支持IPv6
首页
新闻中心
领导之窗
政府信息公开
政务服务
政民互动
醉美江城
搜一搜
首页
新闻中心
领导之窗
政府信息公开
政务服务
政民互动
醉美江城
当前位置:
首页
>
专题专栏
>
政府网站工作报告
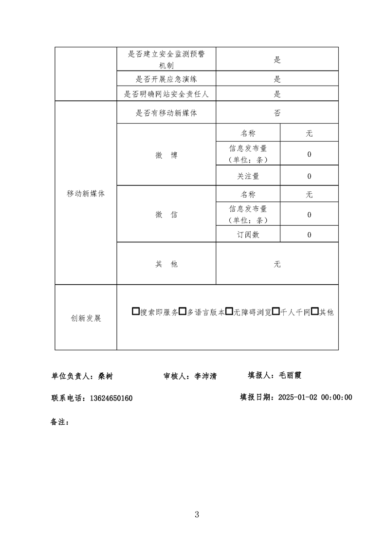
2024年同江市人民政府网站工作年度报表
2024
日期:
2025-01-08 17:18
来源:
字号:
大
中
小
分享到:
相关附件:
监审:
审核:
编辑:
扫一扫在手机打开当前页
相关信息
hi!我是智小佳